1TR power program board functions:

1. Connect external safety circuits;

2. Detecting the status of safety circuits;

3. Check if the fuse of the safety circuit (F1) is blown;

4. Monitor the internal temperature of the controller and detect errors when the temperature is high;

5. Check if the safety circuit is functioning properly and notify the main CPU board 50999-0137 board;

6. Notify the main power supply abnormality from AVR to the main CPU board 50999-0137, and monitor the DC power generated by AVR;

7. When abnormal external power and DC power are detected, turn off the output of the AVR power supply;

8. Set the number of safety circuits (standard is dual circuits). At the same time, corresponding changes need to be made to the jumper wires of the MC power supply unit;

9. Set the time to turn off the motor power (hardware backup) after changing the "HOLD/RUN" (option switch) to "HOLD";

10. Notify the main CPU board 50999-0137 of the switch input status of the option operation panel. Additionally, turn on the indicator lights on the option operation panel;

11. Can install two quick option daughter boards;

12. Equipped with a switch that renders the limit switch function ineffective.

 

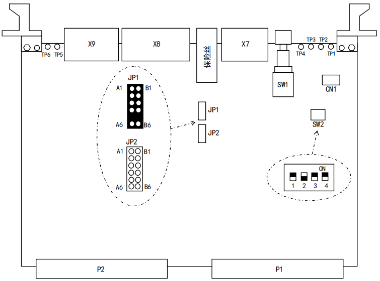
Switch function and settings

SW1 (switch that renders the limit switch function invalid): When this button is held down and not released, the limit switch function becomes invalid;

SW2-1: Set the number of safety circuits. (ON: single circuit, OFF: dual circuit);

SW2-2: Set HOLD backup time (ON: 2 seconds, OFF: not set);

SW2-3: Not used;

SW2-4: Not used.

 

X7: External emergency stop input;

X8: Safety fence, external grip triggering input, teaching status output;

X9: External controller power on, external motor on, external pause input, IO 24V output;

P1: System bus;

P2: Safety circuit input/output for emergency stop, teaching/reproduction, etc;

CN2: Connector for 12V power supply (optional);

CN3, CN4: connectors for option boards;

CN10: Mitsubishi SSC-NET emergency stop output.

 

Jumping feet CN1: used for debugging;

Jumper JP1: Emergency stop of monitoring operation panel/teaching pendant;

Jumper JP2: Do not monitor the emergency stop of the operation panel/teaching pendant.

 

LED display

LD1 (OPEMG): The "emergency stop" working status of the operation panel (normally: off, emergency stop: on);

LD2 (TPMEG): The "emergency stop" working state of the teaching pendant (normally: off, emergency stop: on);

LD3 (EXEMG): External "emergency stop" working state (normally: off, emergency stop: on);

LD4 (PSERR): Power program error occurred (normally: off, error: on);

LD5 (WDERR): Bus access watchdog error occurred (normally: off, error: on);

LD6 (+3.3V): Supply+3.3V power (normally powered on: on);

LD7 (+5V): Supply+5V power (normally powered on: on);

LD8 (+12V): Supply+12V power supply (normally powered on: on);

LD9 (+24V): Supply+24V power (normally powered on: on);

LD10 (ACCESS): Accessing the system bus (normally: lit).